差壓調節閥 - GD-21 系列
 
					▪ 產品特點
							1. 尤其適用於封閉回路中泵的泄壓閥。
							2. 採用單閥座和閥瓣,關閉時無泄漏。
					
▪ 規格
 
							
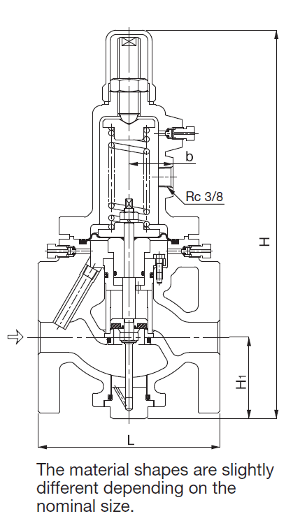
						▪ 尺寸(mm) 和重量(kg)
 
						 
						
						YOSHITAKE 差壓調節閥 - GD-21 系列
							** 實際規格型錄請參照英文網站或來電洽詢,謝謝。
						
 
	 
		 			 
			 		 
				 
					
							1. 尤其適用於封閉回路中泵的泄壓閥。
							2. 採用單閥座和閥瓣,關閉時無泄漏。
					
 
							
						 
						 
						
						
							** 實際規格型錄請參照英文網站或來電洽詢,謝謝。